Hướng dẫn lựa chọn vị trí lắp đặt bể tách mỡ cho nhà hàng và bếp ăn công nghiệp
Cẩm nang: Trọn bộ tài liệu hướng dẫn lắp đặt bể tách mỡ, bể bẫy mỡ đúng quy cách hỗ trợ khách hàng trong việc lựa chọn vị trí, phương pháp lắp đặt bể tách mỡ phù hợp với điều kiện thực tế. Xem tại đây
- 
Xu thế sử dụng bể tách mỡ và các thiết bị tách dầu mỡ trong tương lai.
Bước vào thời đại mở cửa, với các chính sách phát triển kinh tế của Chính phủ Việt Nam dần đưa Việt Nam bước vào thời đại công nghiệp hóa, hiện đại hóa. Cùng với sự phát triển nhanh của đời sống, kinh tế, xã hội, nhận thức của cộng đồng về bảo vệ sức khỏe và vệ sinh môi trường cũng được cải thiện rõ rệt. Bên cạnh đó công tác quản lý môi trường, kiểm soát ô nhiễm ngày càng tiến bộ và có hiệu lực, dẫn đến việc ngày càng có nhiều khu công nghiệp, cơ sở sản xuất, khu dân cư…chú trọng đến việc đầu tư các hệ thống công trình và thiết bị xử lý nước thải ngày càng nhiều. Một bước quan trọng trong việc xử lý nước thải sinh hoạt hay công nghiệp để vừa tiết kiệm chi phí xử lý sự cố môi trường, nhân lực đó là lắp đặt thiết bị tách dầu mỡ trên hệ thống thoát nước trước khi nước được thoát vào hệ thống chung. Xem Catalogue Bể tách mỡ
- 
Những lý do chính cần phải lắp đặt bể lọc mỡ:
Chúng ta đều biết, dầu mỡ là chất không hòa tan trong nước và rất khó phân hủy trong tự nhiên. Nên khi chúng đi vào trong hệ thống thoát nước của tòa nhà hay bếp nhà hàng sẽ làm tắc hệ thống đường ống thoát nước của các căn hộ, hơn thế còn làm giảm hiệu quả xử lý thải của các công trình xử lý nước thải cho tòa nhà. Ngoài ra, có nhiều trường hợp các khu bếp ăn xí nghiệp, bếp nhà hàng xem nhẹ việc xử lý dầu mỡ nên đổ trực tiếp ra môi trường mà không qua xử lý; Dẫn đến tình trạng tắc nghẽn đường ống dẫn, hệ thống thoát nước đô thị và ô nhiễm môi trường trầm trọng.
Tại các hộ gia đình ở chung cư thì việc lắp đặt bể tách mỡ là điều khuyến khích cần thực hiện, bởi chúng ta thường thấy hiện tượng tắc nghẽn đường ống sau 2 đến 3 năm khi căn hộ đi vào sử dụng, trong khi đó việc thuê dịch vụ thông hút vừa gặp nhiều phiền toái lại không xử lý triệt để được vấn đề tắc nghẽn hệ thống đường ống thoát nước do mỡ và các cáu cặn không tan.
Tại các cơ sở sản xuất kinh doanh dịch vụ ăn uống, nhà máy, xí nghiệp, việc sử dụng các thiết bị tách dầu mỡ được xem là bắt buộc theo Quy định của UBND các tỉnh và thành phố, thậm chí là bị phạt nếu không thực hiện.
Qua đó, chúng ta thấy rõ được tầm quan trọng của việc lắp đặt các thiết bị, bể tách dầu mỡ trong đời sống hiện nay. Sử dụng BỂ TÁCH DẦU MỠ, THÙNG LỌC MỠ (Hướng dẫn lựa chọn Bể tách mỡ) giúp cho hệ thống xử lý nước thải tại các tòa nhà không bị quá tải, giảm bớt gánh nặng. Bẫy mỡ đóng vai trò như một hệ thống xử lý SƠ BỘ các chất thải hữu cơ, tại đây cặn thức ăn, dầu mỡ sẽ bị chặn lại và được xử lý triệt để (bằng phương pháp tách và loại bỏ). Chính vì thế, việc lắp đặt các hệ thống tách dầu mỡ là cần thiết và mang lại hiệu quả cho gia đình và hiệu quả xã hội cao.
- 
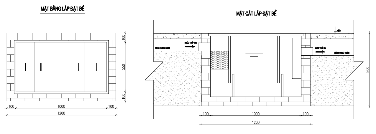
Mô tả tóm tắt 8 vị trí lắp đặt thiết bị tách dầu mỡ bằng sơ đồ
Việc lắp đặt thiết bị tách dầu mỡ, thiết bị bẫy mỡ cần tham khảo các tài liệu, chỉ dẫn kỹ thuật, tiêu chuẩn cấp thoát nước thông qua các chuyên gia, kỹ sư môi trường có kinh nghiệm tại các đơn vị chuyên môn.
Dưới đây là sơ đồ lắp đặt thiết bị tách dầu mỡ đã được các chuyên gia tính toán tư vấn và phác họa.
Hỗ trợ tư vấn môi trường, xử lý nước thải và xử lý dầu mỡ XEM NGAY





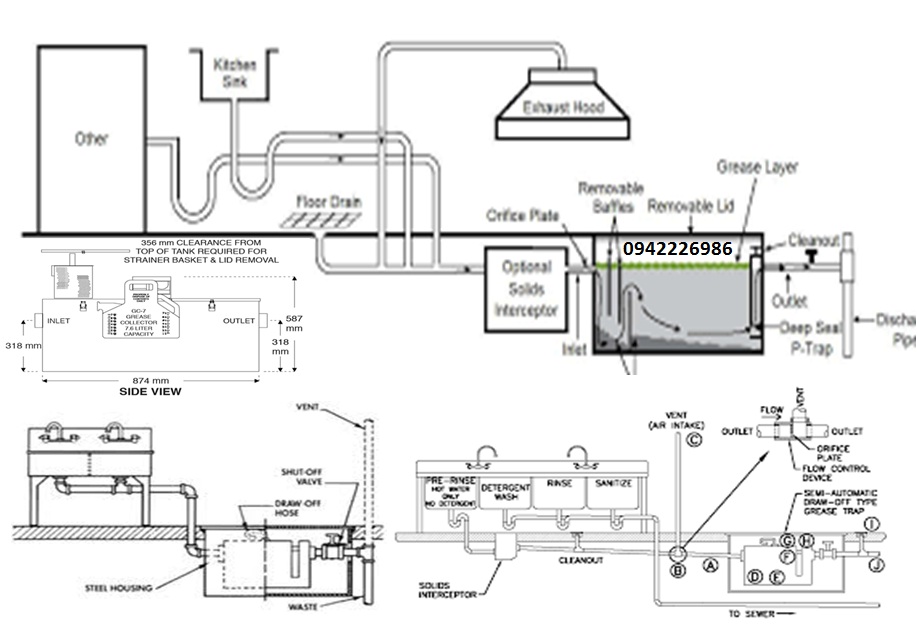
- Thực tiễn lắp đặt thiệt bị tách dầu mỡ tại VINACEE – Việt Nam và các nước trên Thế giới.
Việc lắp đặt thiết bị tách dầu mỡ tại Việt Nam và một số nước trên thế giớ được thể hiện theo hình ảnh thực tiễn.



 ====================================================================
====================================================================
TỪ VẤN SẢN PHẨM VÀ CÔNG NGHỆ: ThS. Nguyễn Hữu Tuyên (0942226986)
Thông tin liên hệ mua hàng và nhận ưu đãi: Hotline 0982309689 (Ms Trần Hồng Gấm)
Công ty CP Kỹ thuật Môi trường và Xây dựng VINACEE Việt Nam
Số 2/1295: Giải Phóng, Hoàng Liệt, Hoàng Mai, Hà Nội
Showroom: 41 Trường Chính, Thanh Xuân, Hà Nội
Điện thoại hotline: 0942226986 /email: vinaceeco@gmail.com
Nguồn VINACEE – Việt Nam

 
					 
					 
					 
					 
					 
					 
					 
					 
					 
					 
					 
					 
					 
					 
					 
					 
					 
					 
					 
					 
					 
					 
					 
					 
					 
					 
					 
					 
					 
					 
					 
					 
					 
					 
					 
					 
					 
					 
					 
					 
					 
					 
					 
					 
					 
					 
					 
					 
					 
					 
		
Viết bình luận