Những ưu điểm vượt trội của bể tách mỡ Inox 304, 20 lít cho gia đình
Nguyên lý làm việc của bể tách mỡ như thế nào để đảm bảo hiệu quả lọc mỡ ra khỏi nước thải. Thiết kế bể có ảnh hưởng đến nguyên lý làm việc của bể tách mỡ hay không? VINACEE Việt Nam mời bạn cùng đọc thêm bài viết dưới dây để hiểu rõ về sản phẩm và quyết định mua và sử dụng hiệu quả hơn.

Nguyên tắc làm việc của bể tách mỡ (XEM VIDEO GIỚI THIỆU)
Bể làm việc dựa trên những đặc tính vật lý cơ bản của nước và dầu mỡ. Lợi dụng những đặc tính này để hoàn thiện thiết kế bể tách mỡ sao phù hợp. Nguyên lý dựa vào các tính chất vật lý cơ bản đó là:
- Thứ nhất: Dầu mỡ không hòa tan vào nước.
- Thứ hai: Dầu mỡ nhẹ hơn nước cho nên nổi nên trên bề mặt nước.
- Thứ ba: Dầu mỡ đồng nhất và có thể dễ dàng hòa lẫn vào nhau.
Lợi dụng 3 tính chất đặc chưng này của dầu mỡ, các kỹ sư chúng tôi chỉ cần tạo điều kiện để dầu mỡ phân ly ra khỏi nước, vào giữ chúng lại là xong.
Vật liệu và thiết kế bể tách mỡ.
Dựa trên nguyên lý làm việc của bể tách mỡ để hoàn thiện được thiết kế như này hôm nay chúng tôi đã phải kết hợp với thực tế đó là. Dầu mỡ thải được thải trực tiếp từ chậu rửa bát, đũa, thực phẩm hoặc từ quá trình sơ chế thức ăn; Cho nên chúng có lẫn nhiều thành phần như rác hữu cơ, hóa chất tẩy rửa.
Để thiết kế cần lựa chọn loại vật liệu vừa phù hợp vệ sinh an toàn thực phẩm, vừa chịu ít tác động từ môi trường làm việc và các chất tẩy rửa. Cuối cùng chúng tôi lựa chọn Inox 304 làm vật liệu nhờ nhiều ưu điểm:
+ Dễ thi công, sản xuất theo các thiết kế khác nhau.
+ Không bị ảnh hưởng bởi môi trường và các chất tẩy rửa thông thường.
+ Đảm bảo thẩm mỹ và vệ sinh an toàn thực phẩm. Điều này đc kiểm chứng bởi vì nhiều dụng cụ nhà bếp được làm bằng Inox. Bên cạch đó chúng tôi cũng nghiên cứu thử nghiệm sử dụng các vật liệu chống ăn mòn khác như UPVC, Composite (các sản phẩm luôn được bảo hành 2 – 10 năm)

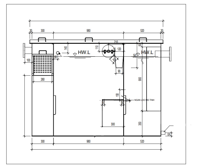
Bể được làm bằng ba ngăn riêng biệt như sau.
Ngăn số 1: Có một giỏ rác giúp giữ lại các rác kích thước lớn trôi vào bể như các vụ thức ăn, vụn mỡ, chất lơ lửng và huyền phù. Tránh gây tắc nghẽn.
Ngăn số 2: Có vách hướng dòng giúp quá trình phân ly dầu mỡ ra khỏi nước thải dễ dàng hơn (tại ngăn thư 2 được thiết kế để dòng nước gần như không chuyên động theo phương ngang, mà chuyển động theo nguyên lý đối lư – thẩm thấu, dầu mỡ nhẹ hơn đi lên trên bê mặt, nước sạch dịch chuyển thẩm thấu xuongs dưới).
Ngăn số 3: Định hình dòng chảy và đưa nước sạch không nhiễm mỡ ra khỏi bể.
Đây cũng là hình mẫu chuẩn thiết kế tối ưu nhất được sử dụng ở nhiều nước trên thế giới trong đó Việt Nam.
Nói tóm lại dựa vào nguyên lý làm việc của bể tách mỡ chúng ta có thể đưa ra thiết kế tối ưu nhất là 3 ngăn (có thể cách điệu).

Vị trí lắp bể tách mỡ phù hợp? hình ảnh tham khảo cho khách hàng
Bể tách mỡ,bẫy mỡ chủ yếu được lắp đặt tại hệ thống rửa, thoát nước - nơi thải nhiều chất béo, mỡ và các loại rác thải nhỏ (vụn thực phẩm): chậu rửa bát đĩa, máy rửa bát, bếp ăn, khu vực rửa và chế biến thực phẩm.
Sản phẩm có thể lắp nổi ngay dưới chậu rửa, bếp nấu công nghiệp hoặc có thể lắp chìm dưới đất với các bể có dung tích lớn, có công năng thu gom nước thải sản.
Tham khảo các sản phẩm lắp đặt trong thực tế do VINACEE cung cấp cho khách hàng

Nếu bạn đang cần tư vấn lắp đặt một bể tách mỡ phù hợp với công trình của mình, hãy gọi ngay số Hotline 0837145888 để được tư vấn hoàn toàn miễn phí (Chi tiết liên hệ)
Công ty CP Kỹ Thuật Môi Trường và Xây Dựng Vinacee Việt Nam
Địa chỉ: Đội 1 Tả Thanh Oai, Thanh Trì, Hà Nội
Cơ sở 2: Số 5/2 Ngõ 1295 Đường Giải Phóng, Q Hoàng Mai, Hà Nội
Showroom 1: 41 Trường Chinh, Thanh Xuân, Hà Nội




Viết bình luận